Устройства плавного пуска INSTART SSIP-75/150-04

INSTART
45200
68800,00
85975,00
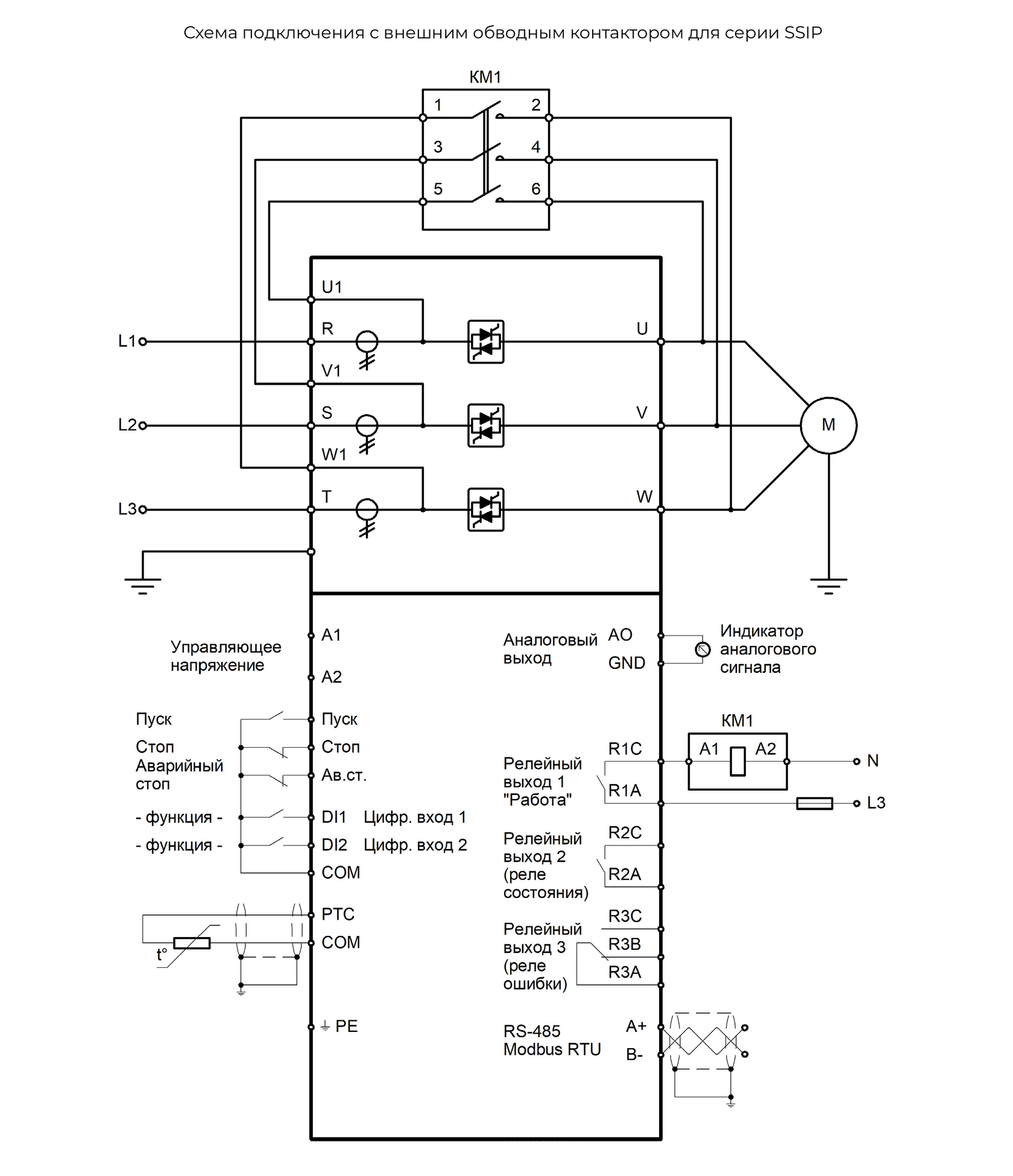
Устройства плавного пуска серии SSI предназначены для плавного запуска асинхронных короткозамкнутых электродвигателей путем постепенного повышения напряжения на статоре двигателя. Они снабжены силовыми тиристорными модулями в каждой фазе, включенными по встречно-параллельной схеме, что обеспечивает управление всеми тремя фазами на протяжении полного периода пуска и останова двигателя.

Мощность (общепром. режим G): 75 кВт

Ток (общепром. режим G): 150 А

Напряжение: 3 ~ 342-440В 50/60Гц±2%

Серия: SSIP

lwh: 232x220x381 mm

Weight: 10000 g