Устройство плавного пуска INSTART SBIM-2.2/5.6-04

INSTART
67100
9750,00
12160,00
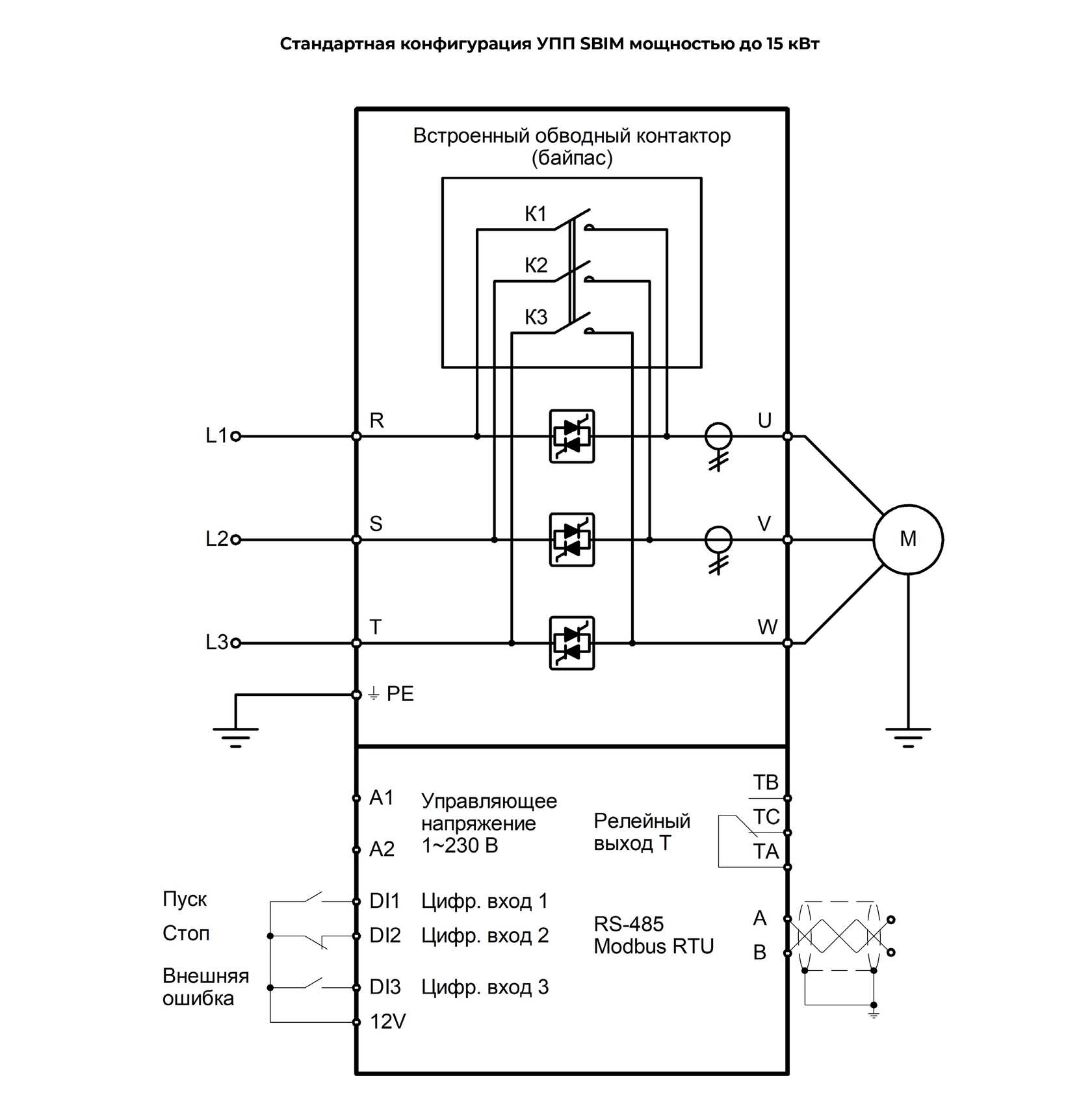
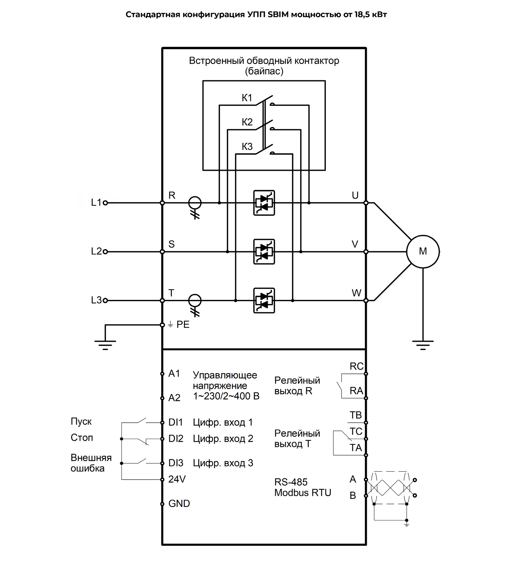
Устройство плавного пуска - SBIM наиболее компактное решение для управления электродвигателем с функциями плавного пуска и останова. Серия оснащена встроенным обводным контактором, что обеспечивает высокую надежность и упрощает подключение.

Мощность (общепром. режим G): 2,2 кВт

Ток (общепром. режим G): 5,6 А

Напряжение: 3 ~ 342-440В 50/60Гц±2%

Серия: SBIM

lwh: 157x55x150 mm

Weight: 700 g