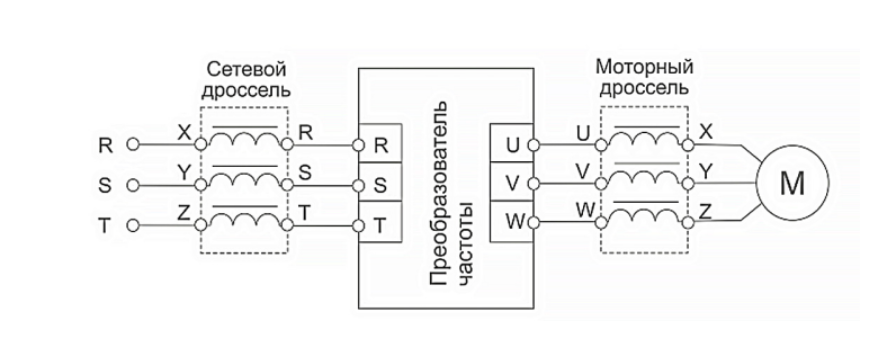
Серия: ISF
Рабочая температура: от -10 до + 40 С
Гарантийный срок, месяц: 12
Индуктивность, мГн: 0.016 мГн
Количество фаз на входе: 3Ф
Количество фаз на выходе: 3Ф
Мощность, кВт: 375 кВт
Номинальный ток (А): 714 А
Степень защиты: IP00
Частота, Гц: 50/60 Гц
U2 (напряжение вторичное выходное) (В): 400 В
Номинальное напряжение (U,B): 400 В
lwh: 250x350x400


